NDP2331KC 是一款高效、单片式同步降压 DC/DC 转换器,采用恒定频率、平均电流模式控制架构。它能够输出高达 3A 的持续负载,同时具备优异的线路与负载调节性能。该器件的工作输入电压范围为 5.5V 至 30V,并可提供从 1V 到 25V 的可调输出电压。NDP2331KC 还具备短路和热保护电路,以提升系统可靠性。内置的软启动功能可避免启动时输入电流激增。
产品概述
NDP2331KC is a high efficiency, monolithic synchronous step-down DC/DC converter utilizing a constant frequency, average current mode control architecture. Capable of delivering up to 3A continuous load with excellent line and load regulation. The device operates from an input voltage range of 5.5V to 30V and provides an adjustable output voltage from 1V to 25V. The NDP2331KC features short circuit and thermal protection circuits to increase system reliability. The internal soft-start avoids input inrush current during startup.
The NDP2331KC require a minimum number of external components. and a wide array of protection features to enhance reliability.
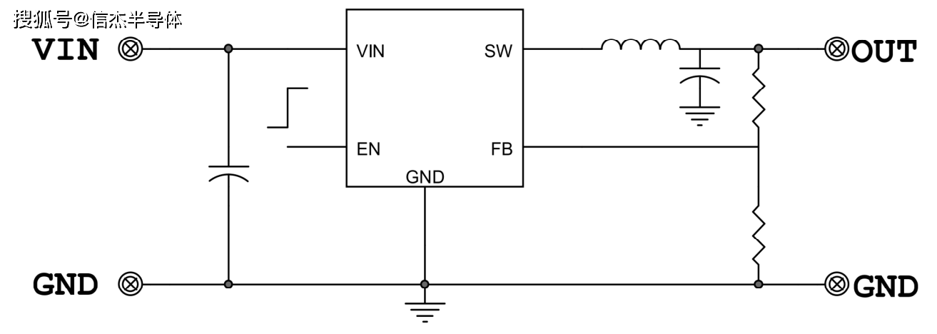
原理图

特点
※宽VIN电压范围:5.5V至30V
※3A连续输出电流
※效率高达94%
100%马克斯值循环※
※可调输出电压
※±2%输出电压精度
※集成70mΩ高端开关
※集成35mΩ低侧开关
300KHz频率
※轻负载时的冲击模式操作
※内部循环补偿
※内部软启动
※在SOP8包装中可用
应用领域
※可充电便携式设备
※网络系统
※分布式电力系统